Description
The BF08 floating ball screw support is a versatile support that can be used to support the end of a ball screw assembly. It is commonly used in SFS1210 ball screws and is compatible with our 12mm ball screw kits. The BF08 offers both bottom and face mounting, making it ideal for use in a wide range of actuators and custom gantry systems. With a variety of mounting options and sturdy construction, the BF08 is a great choice for your ball screw needs.
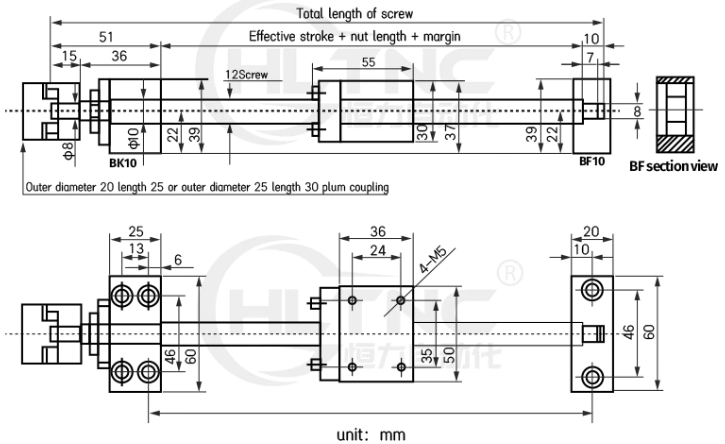
Engineering drawing

Included:
BF08 ball screw support with clip.
Please note:
This listing is for the ball screw support and clip only. Our complete ball screw sets can be found here.