Description
These SHF10 Supports are usable with 10mm Smooth Rods, you can simply slide the rail through and then tighten the clamp screw at the top to fix it in place. Then use our M5 Screws to attach them. If you need to disassemble or otherwise repair your machine, simply open up the clamp and remove the rail.
This is one item so you may want to get two of these to support a single smooth rod.
Specifications:
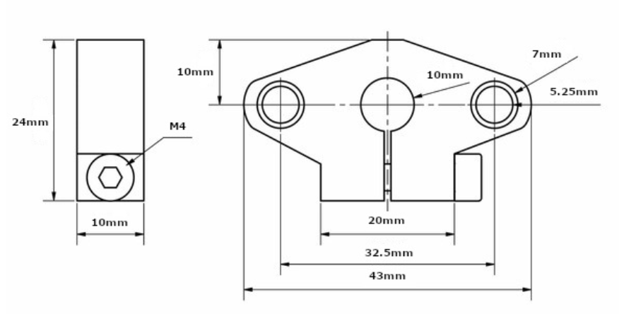
- Length – 43mm
- Width – 10mm
- Height – 24mm
- Shaft diameter – 10mm
- Fixing Hole diameter – 5.25mm to fit an M5 Screw
