Description
The Motor Mount Plate is a versatile piece that can be used with both V-Slot and OpenRail. NEMA-17 motors can be attached using this plate.
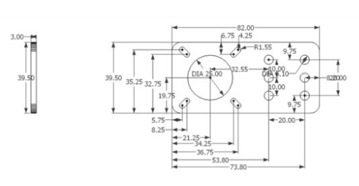
This plate is designed for Nema 14 & Nema 17 Stepper Motors. It is mountable and movable, so you can easily attach it to any extrusion. There are many possible mounting configurations for this plate, making it a versatile and handy tool.
Specifications:
- 6063-T6 Aluminum
- Black Anodized Finish
- 3mm~ (1/8″) Thick
